0
联系电话:4001-158-698EN

公司新闻 行业动态 jinnianhui今年会产品知识

DF62 Series丨纤细中继/DIP连接器

DF62 Series

特点


[SignalBee™]

2 x 2.2 mm间距 

用于狭小空间纤细型中继连接器(UL C-UL认证产品)

1. 纤细光滑的外形适合狭窄空间的布线

2. 清晰的锁扣感和目视可确认是否锁定

3. 可靠的接触结构

4. 坚固的端子结构

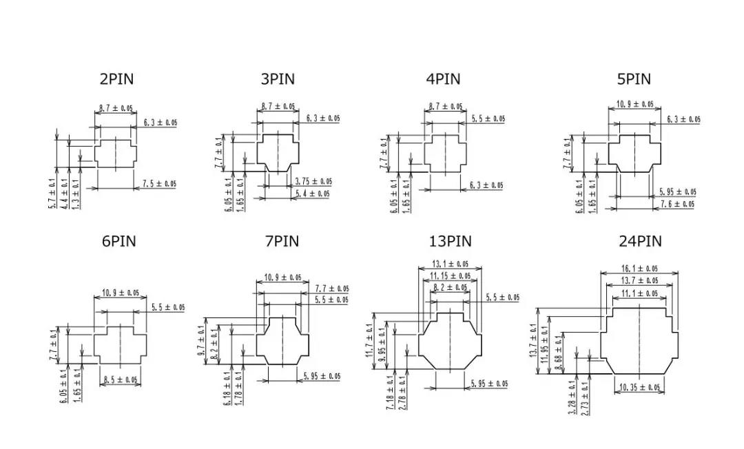
5. 芯数选型:2、3、4、5、6、7、13、24

DF62B:标准型

DF62C:锁加部保护强化型

DF62P:面板安装型

6. 可与DF11/DF59系列共用自动压着设备

7. 防冷凝措施(防水型DF62W)


细小

最适合狭窄空间的插配接线

操作简单&锁扣确实

选型

锁扣防护栏外壳(Socket)DF62C选型

面板安装型插头(DF62P)

DF62P 推荐面板加工尺寸

垂直DIP型

直角DIP型

规格


4008
在线客服
在线客服

Maggie

微信咨询

黎小姐